Main Dimensions & Performance Data

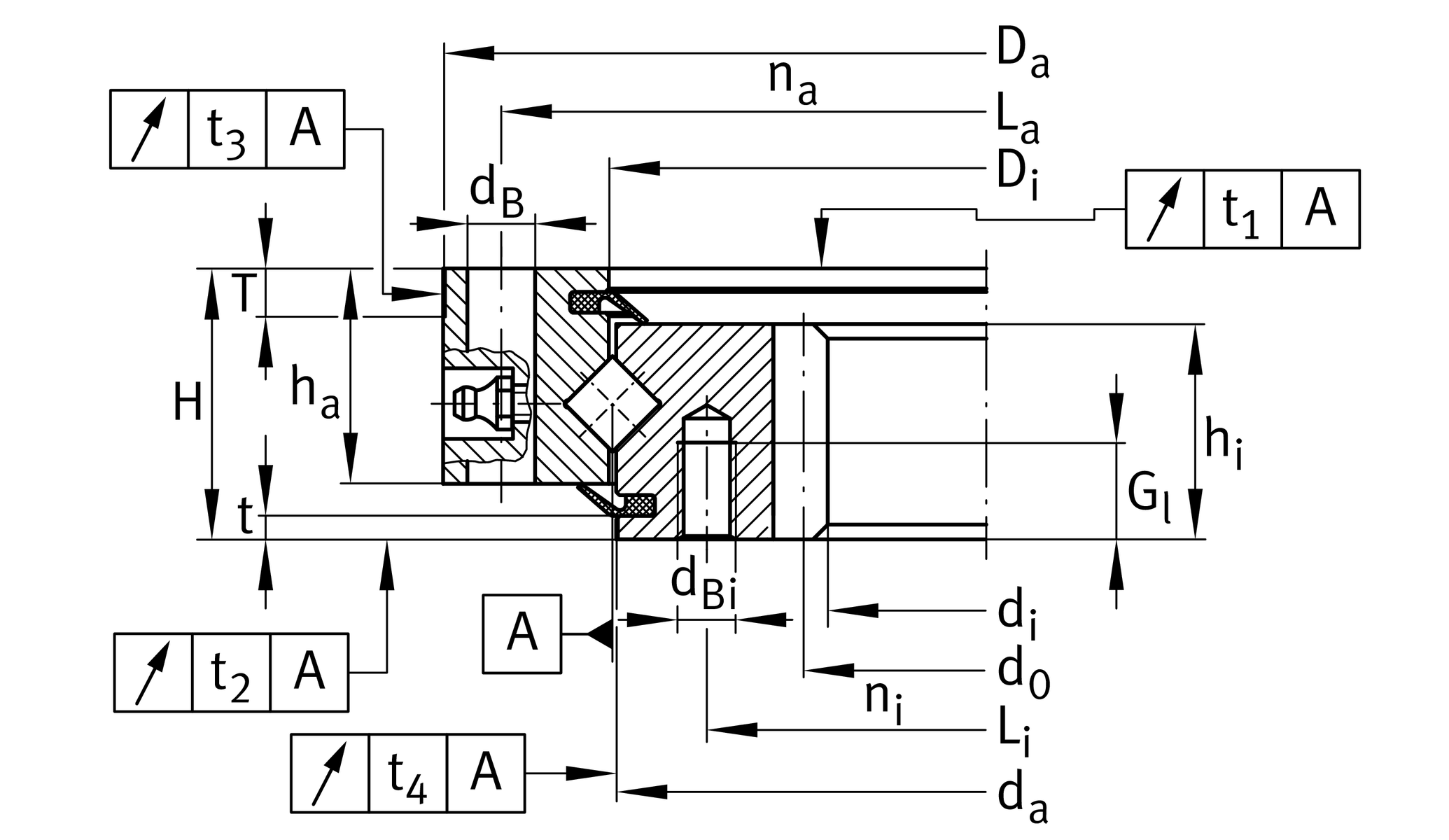
d

840 mm

B

56 mm

Mounting dimensions

Di

945 mm Inner diameter outer ring

0.7 mm Inner diameter outer ring upper tolerance

0 mm Inner diameter outer ring lower tolerance

ha

44.5 mm Width outer ring

La

990 mm Pitchcircle diameter fixing holes outer ring

na

44 Number of fixing holes in outer ring

dB

14 mm Fixing bore

44.5 mm Width inner ring

Li

905 mm Pitchcircle diameter fixing holes inner ring

ni

44 Number of fixing holes in inner ring

M12 Tread fixing bore

tG

20 mm Thread depth oil connector

b

44.5 mm Width gearing

m

8 mm Modul of gearing

z

107 Number of teeth

d0

856 mm Pitch circle diameter gearing

Fz norm

31,400 N Max. tooth force root fatigue strenght

Fz max

46,700 N Max. tooth force against tooth fracture

0.06 mm Running accuracy

0.06 mm Running accuracy

0.11 mm Running accuracy

0.09 mm Running accuracy

Temperature range

T min

-25 °C Minimum operating temperature

T max

80 °C Maximum operating temperature

Calculation coefficient

Ca

315,000 N Basic dynamic load rating, axial

C0a

1,240,000 N Basic static load rating, axial

Cr

223,000 N Basic dynamic load rating, radial (for radial load only)

C0r

610,000 N Basic static load rating, radial (for radial load only)

VSP max

0.05 mm Maximum bearing preload

VSP min

0.01 mm Min. bearing preload

Fr zul

182,000 N Max. radial load screws