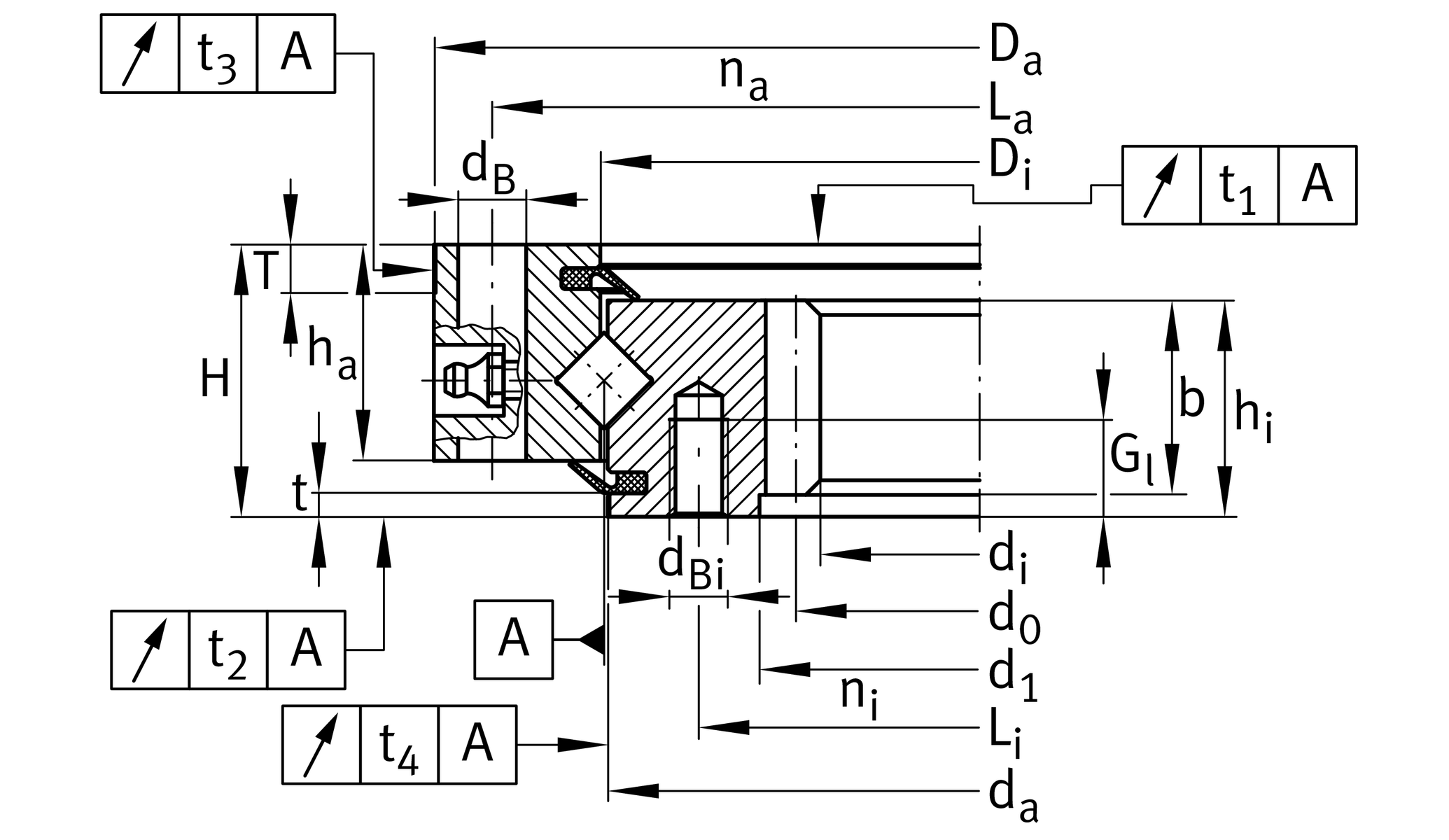
Main Dimensions & Performance Data

d

325 mm

B

56 mm

Mounting dimensions

Di

415 mm Inner diameter outer ring

0.5 mm Inner diameter outer ring upper tolerance

0 mm Inner diameter outer ring lower tolerance

ha

44.5 mm Width outer ring

La

460 mm Pitchcircle diameter fixing holes outer ring

na

24 Number of fixing holes in outer ring

dB

14 mm Fixing bore

44.5 mm Width inner ring

Li

375 mm Pitchcircle diameter fixing holes inner ring

ni

24 Number of fixing holes in inner ring

M12 Tread fixing bore

tG

20 mm Thread depth oil connector

d1

350 mm Diameter turning inner ring

0.5 mm Diameter turning inner ring upper tolerance

0 mm Diameter turning inner ring lower tolerance

b

40 mm Width gearing

m

5 mm Modul of gearing

z

67 Number of teeth

d0

335 mm Pitch circle diameter gearing

Fz norm

17,700 N Max. tooth force root fatigue strenght

Fz max

26,200 N Max. tooth force against tooth fracture

0.04 mm Running accuracy

0.04 mm Running accuracy

0.06 mm Running accuracy

0.06 mm Running accuracy

Temperature range

T min

-25 °C Minimum operating temperature

T max

80 °C Maximum operating temperature

Calculation coefficient

Ca

200,000 N Basic dynamic load rating, axial

C0a

540,000 N Basic static load rating, axial

Cr

143,000 N Basic dynamic load rating, radial (for radial load only)

C0r

265,000 N Basic static load rating, radial (for radial load only)

VSP max

0.03 mm Maximum bearing preload

VSP min

0.01 mm Min. bearing preload

Fr zul

79,000 N Max. radial load screws