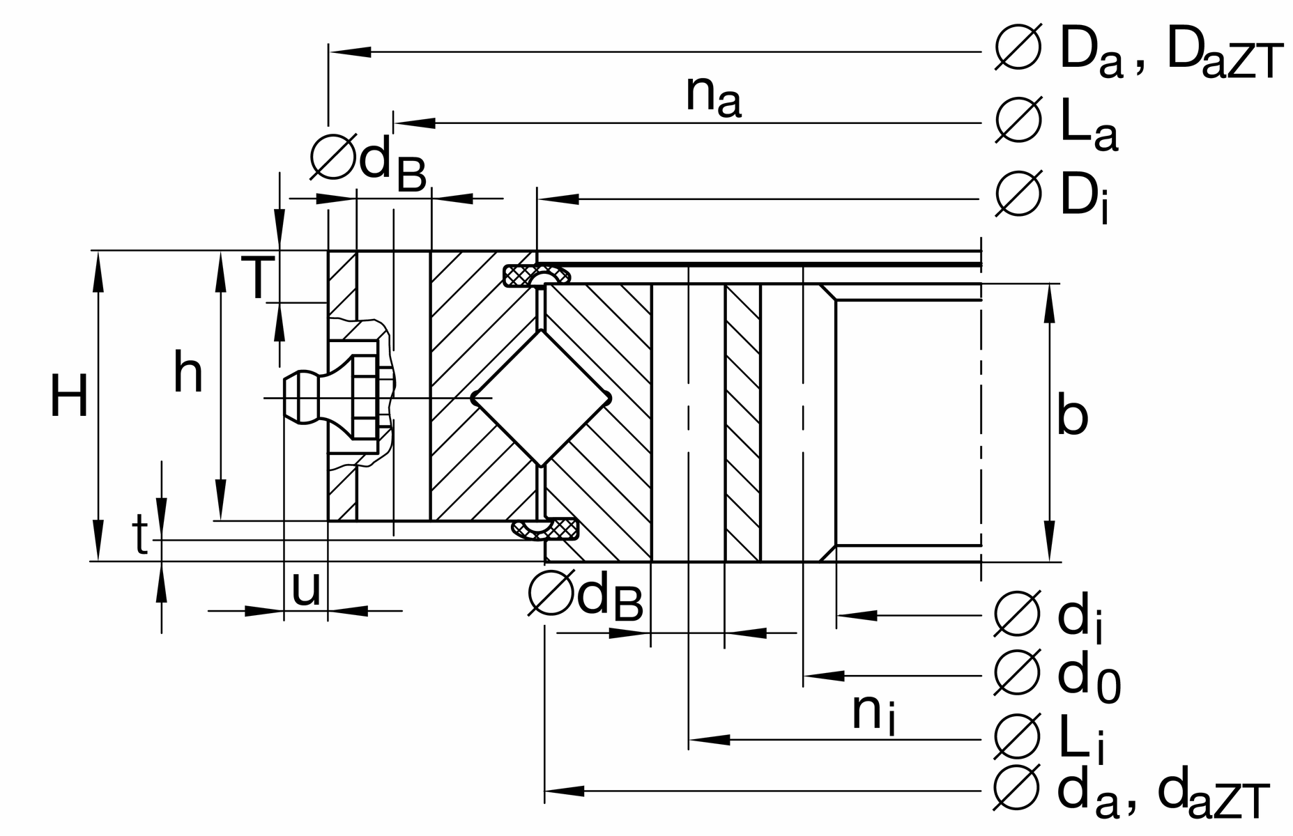
Main Dimensions & Performance Data

d

216 mm

D

340 mm

B

38 mm

Mounting dimensions

Di

289 mm Inner diameter outer ring

ha

33 mm Width outer ring

La

324 mm Pitchcircle diameter fixing holes outer ring

na

20 Number of fixing holes in outer ring

dB

9 mm Fixing bore

da

287 mm Outside diameter inner ring

34 mm Width inner ring

Li

252 mm Pitchcircle diameter fixing holes inner ring

ni

20 Number of fixing holes in inner ring

b

34 mm Width gearing

m

4 mm Modul of gearing

z

56 Number of teeth

d0

224 mm Pitch circle diameter gearing

u

6 mm Protrusion lubrication nipple

Fz norm

12,300 N Max. tooth force root fatigue strenght

Fz max

17,800 N Max. tooth force against tooth fracture

Temperature range

T min

-30 °C Minimum operating temperature

T max

80 °C Maximum operating temperature

Calculation coefficient

Ca

135,000 N Basic dynamic load rating, axial

C0a

310,000 N Basic static load rating, axial

Cr

96,000 N Basic dynamic load rating, radial (for radial load only)

C0r

153,000 N Basic static load rating, radial (for radial load only)

VSP max

0.02 mm Maximum bearing preload

VSP min

0 mm Min. bearing preload

Fr zul

45,500 N Max. radial load screws