Main Dimensions & Performance Data

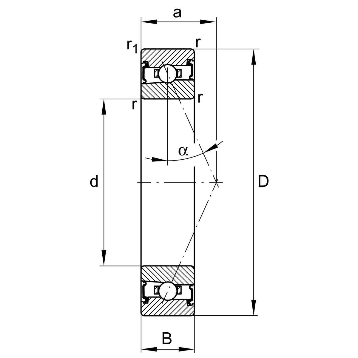
d

90 mm

D

140 mm

B

24 mm

Cr

34000 N

Cor

25000 N

Cur

2480 N

Grease lubrication speed

12000 rpm

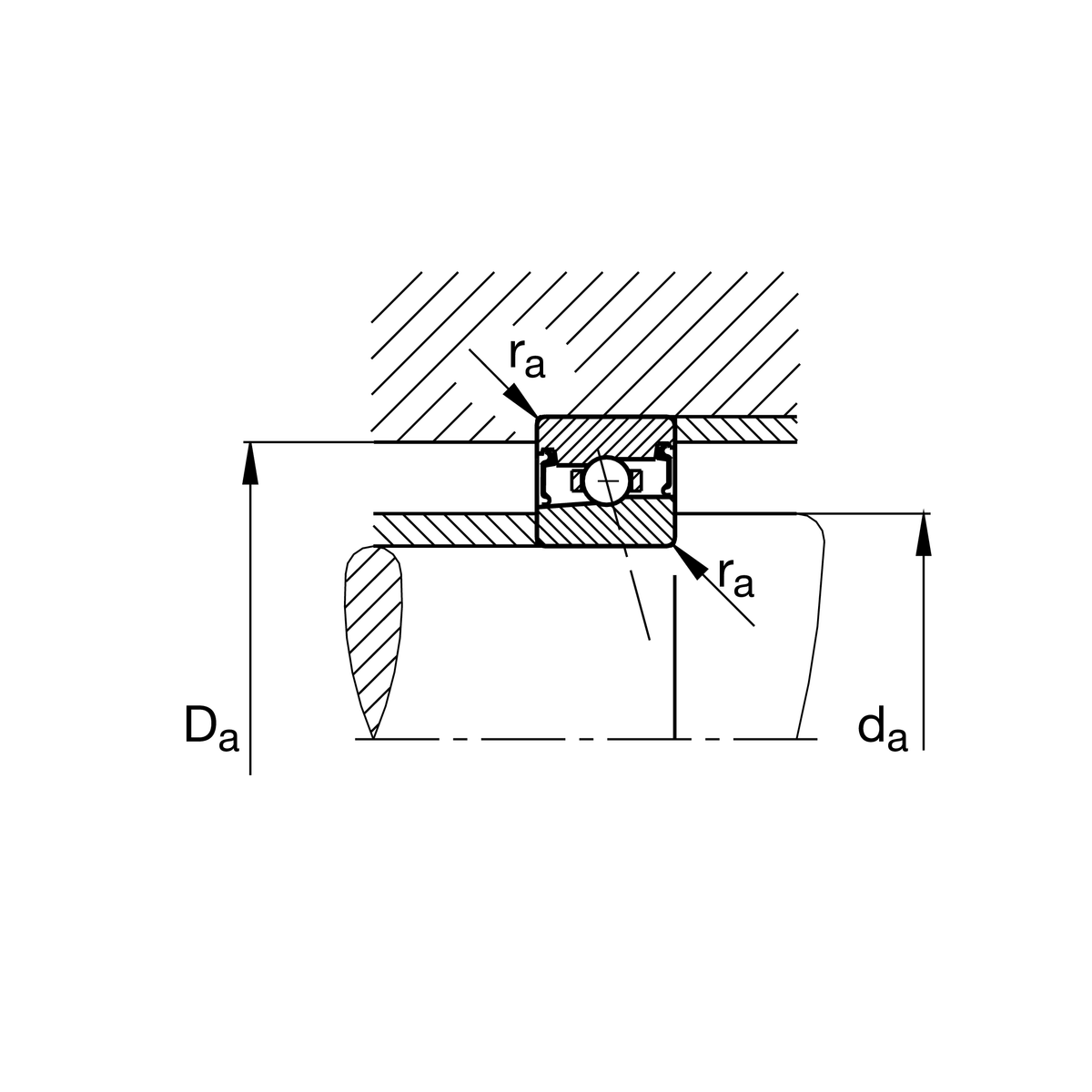
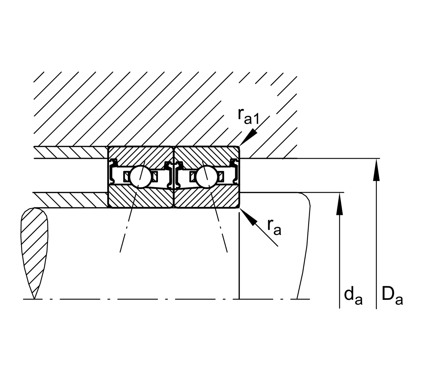
Mounting dimensions

da

100 mm Shaft shoulder diameter

rmin

1.5 mm Minimum chamfer size

dah

12 Shaft shoulder clearance diameter

r1min

1.5 mm Minimum chamfer size

α

25 ° contact angle

D a

131 mm Diameter of outer ring shoulder

DaH

12 Outer ring clearance shoulder diameter

ra max

1.5 mm Maximum cavity radius

ra1 max

0.6 mm Maximum cavity radius

a

38.8 Top distance of pressure cone

Temperature range

T min

-30 °C Minimum operating temperature

T max

80 °C Maximum operating temperature